Mag-email sa Amin

sdepochwater@hotmail.com

Mga produkto
Ang metro ng tubig ng patubig
  • Ang metro ng tubig ng patubigAng metro ng tubig ng patubig
  • Ang metro ng tubig ng patubigAng metro ng tubig ng patubig

Ang metro ng tubig ng patubig

Gamitin: Ang instrumento sa pagsukat ng daloy para sa pagsukat ng kabuuang dami ng tubig na dumadaloy sa pipeline.

Ibinigay na mga kondisyon:

Laki ng ▶: DN50 ~ DN600

▶ Materyal: cast iron shell

▶ grado ng temperatura: T30, T50, T90

▶ Class Pressure: MAP16, MAP10

▶ Pagkawala ng Pressure: △ P63


Paraan ng Pag -install:

1.Horizontal na pag -install.

2. Kinakailangan ang filter ng tubig ngadditional.

3. Ang tubig na inlet/outlet ng metro ng tubig ay nangangailangan ng tuwid na seksyon ng pipe U10/D5.


Mga Katangian:

1.SmallTransmission Resistance, malaking kapasidad ng daloy, anti blocking at malakas na kakayahan sa polusyon ng anti.

2.Horizontal rotor, tuyo, magnetic coupling drive.

3. Ang counter ay nagpatibay ng vacuum sealing, anti condensation at atomization, at maaaring mapanatiling malinaw ang pagbabasa sa loob ng mahabang panahon.

4.Removable na istraktura ay pinagtibay para sa madaling pag -install at pagpapanatili

5. Ang mekanismo ng pagsukat ay may malakas na unibersidad.

6.Iktrado sa mga customer'needs, maibibigay ang remote na paghahatid at paghahatid ng aparato (dobleng paghahatid ng reed/hall).


Teknikal na parameter:

DN (mm) Daloy saklaw Grade grade Pinakamataas Daloy Q4 Karaniwan Daloy Q3 Border Flow Q2 Minimum Daloy Q1 Minimum pagbabasa Pinakamataas pagbabasa
Q3/Q1 M3/h
LXXG-50 2 ” R20 (R25) 25 31.25 5 1.25 0.002 999, 999
LXXG-65 2/2 " 40 50 8 2 0.002 999, 999
LXXG-80 3 ” 63 78.75 12.6 3.15 0.002 999, 999
LXXG-100 4 ” 100 125 20 5 0.002 999, 999
LXXG-125 5 ” 160 200 32 8 0.002 999, 999
LXXG-150 6 ” 250 312.5 50 12.5 0.002 999, 999
LXXG-200 8 ” 400 500 80 20 0.002 999, 999
LXXG-250 10 ” 630 787.5 126 31.5 0.02 9, 999, 999

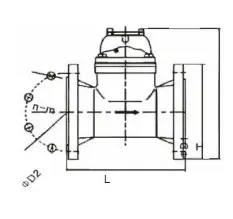
Pangkalahatang sukat at timbang:

Modelo DN Haba Taas Koneksyon Flange
mm Flange Outer Diameter φd1 Bilang ng Pagkonekta ng mga bolts D2 Bilang ng Pagkonekta ng mga bolts
LXXG-50 2 ” 200 253 165 125 4*M16
LXXG-65 2v2 " 200 268 185 145 4*M16
LXXG-80 3 ” 225 284 200 160 8*M16
LXXG-100 4 ” 250 295 220 180 8*M16
LXXG-125 5 ” 250 310 250 210 8*M16
LXXG-150 6 ” 300 339 285 240 8*M20
LXXG-200 8 ” 350 382 340 295 8*M20 (1.0Mpa) 12*M20 (1.0Mpa)
LXXG-250 10 ” 450 438 395 405
12*M20 (1.0Mpa) 12*M24 (1.0Mpa)

A.Ang maximum na pinapayagan na error ng isang mababang lugar (Q1≤q

B.Kapag ang temperatura ng tubig ay is≤30 ℃, ang maximum na pinapayagan na error sa mataas na lugar (Q2≤q≤q4) ay ± 2% kapag ang temperatura ng tubig ay> 30 ℃, ang maximum na pinapayagan na error sa mataas na lugar (Q2≤q≤q4) ay ± 3%






Mga Hot Tags: Ang metro ng tubig ng patubig
Magpadala ng Inquiry
Impormasyon sa Pakikipag-ugnayan
Handa nang dalhin ang iyong proyekto sa sistema ng tubig sa susunod na antas? Magpadala ng isang pagtatanong sa Shandong Epoch Equipment Co, Ltd at makatanggap ng isang isinapersonal na tugon mula sa aming koponan. Narito kami upang makatulong sa lahat ng iyong mga pangangailangan sa sistema ng tubig. Ipaalam sa amin ang iyong mapagkakatiwalaang kasosyo.
X
Gumagamit kami ng cookies para mag-alok sa iyo ng mas magandang karanasan sa pagba-browse, pag-aralan ang trapiko sa site at i-personalize ang content. Sa paggamit ng site na ito, sumasang-ayon ka sa aming paggamit ng cookies. Patakaran sa Privacy
Tanggihan Tanggapin