Mag-email sa Amin

sdepochwater@hotmail.com

Balita

Ang istraktura at prinsipyo ng pagtatrabaho ng balbula ng butterfly

90-degree na pag-ikot, walang hirap na daloy ng control mastery-Mga balbula ng butterfly: Pag-optimize ng kahusayan at gastos para sa mga operasyon ng malalaking diameter na pipeline!

1.verall Pangkalahatang -ideya:

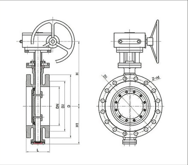
  Isang balbula ng butterflyay isang istruktura na simple at mabilis na pagpapatakbo ng balbula na pangunahing ginagamit upang makontrol ang daloy ng mga likido (tulad ng tubig, gas, o slurries) sa mga pipeline. Ang pangunahing pag -andar nito ay upang buksan, isara, o ayusin ang daloy ng daloy sa pamamagitan ng pag -ikot ng isang disc (butterfly disc) sa loob ng pipe.

2.Key Components - Valve Body at Disc:

   Ang pangunahing katawan ng balbula ng butterfly ay ang katawan ng balbula, isang maikling cylindrical na pabahay na konektado sa pipeline sa magkabilang dulo, na bumubuo ng daanan ng likido. Ang nakaposisyon sa loob ng daanan ng balbula ng balbula ay ang pangunahing sangkap - ang disc. Ito ay isang istraktura na hugis disc na ang disenyo (concentric o eccentric) at materyal ay makabuluhang nakakaapekto sa pagganap ng balbula.

3. Mga Bahagi ngKey - STEM at ACTUATION:

   Ang isang tangkay ay dumadaan sa gitna o isang sira -sira na punto ng disc at umaabot sa labas ng katawan ng balbula. Ang baras na ito ay responsable para sa pagpapadala ng rotational force (metalikang kuwintas) na nabuo ng panlabas na mekanismo ng operating (tulad ng isang pingga, handwheel, o awtomatikong actuator) sa disc, na nagmamaneho ng pag -ikot nito.

4.Key Components - Sealing (upuan at seal):

   Upang makamit ang sealing kapag sarado, isang annular na upuan ang naka-install sa panloob na dingding ng katawan ng balbula (o sa gilid ng disc sa mga disenyo ng triple-offset). Kapag nagsara ang disc, ang gilid nito ay mahigpit na pinipilit laban sa upuan na ito. Ang mga materyales sa upuan ay maaaring maging elastomer (malambot na upuan, hal., Goma, PTFE, nag -aalok ng mahusay na pagbubuklod) o metal (hard seat, lumalaban sa mataas na temperatura at presyon). Bilang karagdagan, ang mga seal (tulad ng packing o o-singsing) ay matatagpuan kung saan ang stem ay lumabas sa katawan ng balbula, na pumipigil sa pagtagas ng media sa kahabaan ng tangkay.

5. Prinsipyo ng paggawa - Proseso ng Pagbubukas:

   Kapag ang balbula ay kailangang mabuksan, ang mekanismo ng operating (manu -manong o awtomatiko) ay umiikot sa stem. Ang tangkay ay nagiging sanhi ng disc na paikutin sa paligid ng axis nito, na lumilipat mula sa isang posisyon na patayo sa pipeline axis (90 degree, sarado na estado) patungo sa isang posisyon na kahanay dito (0 degree). Habang umiikot ang disc, bumababa ang hadlang nito sa likido, unti -unting bubukas ang daloy ng daloy, at ang likido ay dumadaloy nang maayos. Ang anggulo ng pag -ikot ay nagbibigay -daan sa tumpak na kontrol ng rate ng daloy.

6. Prinsipyo ng Paggawa - Proseso ng Pagsara:

   Kapag ang balbula ay kailangang sarado, ang mekanismo ng operating ay umiikot ang stem sa kabaligtaran ng direksyon. Ang disc ay nagsisimula na umiikot mula sa posisyon nito na kahanay sa pipeline, na unti -unting hinaharangan ang landas ng daloy. Sa pag -ikot ng humigit -kumulang na 90 degree upang maabot ang patayo na posisyon, ang gilid ng disc ay mahigpit na pinipilit laban sa upuan. Sa pamamagitan ng compression na ito (umaasa sa nababanat na pagpapapangit para sa mga malambot na upuan, o tumpak na contact ng conical taper para sa mga hard seat), ang isang kumpletong singsing na sealing ay nabuo sa pagitan ng gilid ng disc at upuan, na ganap na humaharang ng daloy ng likido.

7. Mga kalamangan:

   Ang pangunahing bentahe ng mga balbula ng butterfly ay namamalagi sa kanilang compact na istraktura, magaan na timbang, at maikling mga sukat na mukha-sa-mukha (pag-save ng espasyo), simple at mabilis na operasyon (karaniwang nangangailangan lamang ng isang 90-degree na pag-ikot para sa bukas/malapit), mababang paglaban ng likido (lalo na kung ganap na bukas), mababang operating torque, at makabuluhang mga pakinabang sa mga malalaking diameter na mga pipelines.

8.Main kawalan at pagsasaalang -alang:

   Ang mga kawalan ng mga balbula ng butterfly ay kasama ang kanilang kakayahan sa presyon ng sealing na karaniwang mas mababa kaysa sa mga gate o globo valves (lalo na ang mga uri ng malambot na uri), ang disc ay palaging naroroon sa daloy ng landas na nagdudulot ng ilang pagkawala ng presyon, na hindi gaanong angkop para sa malubhang mga application ng throttling (na maaaring maging sanhi ng panginginig ng boses o erosion), at ang pagiging sensitibo ng mga materyales na maatim na tunog sa matinding temperatura.

9.Typical Application:

   Ang pag-agaw ng mga pakinabang na ito, ang mga balbula ng butterfly ay malawak na inilalapat sa mga sitwasyong medium-to-malalaking diameter na hinihingi ang mabilis na operasyon, mga hadlang sa espasyo, o pagiging sensitibo sa gastos. Ang mga karaniwang aplikasyon ay kinabibilangan ng: mga supply ng tubig at mga sistema ng kanal (potable water, wastewater), HVAC (pagpainit, bentilasyon, at air conditioning) mga sistema, mga sistema ng proteksyon ng sunog, paglamig ng tubig sa industriya ng kuryente, industriya ng petrochemical (para sa mga mababang presyon, ambient-temperatura media), pagkain at parmasyutiko na industriya (sanitary-grade valves), at paghawak ng slurry.

   Shandong Epoch Equipment co., Ltd. ay isang malaking tagagawa ng propesyonal sa Shandong Province of China, sumunod sa oryentasyon ng agham at teknolohiya, proteksyon sa kapaligiran, kalidad at kahusayan. Sa kasalukuyan, lumaki ito sa isang trans-regional at multi-pang-industriya na negosyo na nagsasama ng malawak na industriya tulad ng disenyo, pag-unlad, paggawa at pag-export. Bisitahin ang aming website sahttps://www.epochpipeline.com/Upang malaman ang higit pa tungkol sa aming mga produkto. Para sa mga katanungan, maaari mong maabot kami sa sdepochwater@hotmail.com.

Mga Kaugnay na Balita
Mag-iwan ako ng mensahe
X
Gumagamit kami ng cookies para mag-alok sa iyo ng mas magandang karanasan sa pagba-browse, pag-aralan ang trapiko sa site at i-personalize ang content. Sa paggamit ng site na ito, sumasang-ayon ka sa aming paggamit ng cookies. Patakaran sa Privacy
Tanggihan Tanggapin